Чтобы запросить цену ниже, укажите номер телефона и e-mail.
All other data you can tell the manager.
FAAC 741 KIT + Пульты RC 741_kit_RC_1 комплект для откатных ворот до 900 кг
Производитель
Ширина створки
Напряжение питания редуктора
Тип устройства
Напряжение питания
Тип редуктора
Класс защиты
Вес створки
Интенсивность
Тип привода

Комплект FAAC 741 KIT + Пульты RC для откатных ворот до 900 кг., блок управления 740 D, 230В, Z16, V 12 м/мин, магнитные концевики, консистентная смазка, с монтажной пластиной, интенсивность 40%, класс защиты IP44; диапазон рабочих температур от -20°С до +55°С; напряжение питания 230В; тип привода электромеханический со встроенным блоком управления.
Комплект привода FAAC 741E с пультами RC относится к автоматике для откатных ворот, которые являются надежным запирающимся механизмом, практично вписывающимся в пространство и защищающим территорию.
Привод FAAC 741E Z16 является самоблокирующимся приводом, мощностью 230 В. В привод встроена плата управления 740 D. Одной из особенностей привода является наличие у него ведущей шестеренки Z16, которая имеет 16 зубьев с модулем M4. Также привод FAAC 741 обладает магнитными концевыми выключателями, консистентной смазкой и поставляется в комплекте с монтажной пластиной.
Автоматика 741E Z16 прекрасно подойдет для автоматизации раздвижных ворот как в загородном доме, на даче или же на промышленных объектах, где вес ворот не превышает 900 кг. Максимальная ширина створки откатных ворот должна быть не больше 15 м.
По сравнению с моделью FAAC 740, данный привод более тяжелый, имеет большее максимальное усилие, потребляемая мощность автоматики составляет 500 Вт.
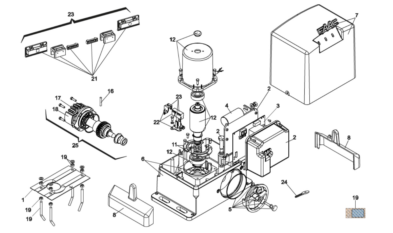
Запчасти для привода FAAC 741

| Номер | Артикул | Кол-во | Описание |
| 1 | 737615 | 1 | 740-741 Монтажное основание |
| 2 | 720253 | 1 | 740/741 Кронштейн крепления с кожухом для платы управления приводов 740, 741 серий |
| 3 | 202269 | 1 | Плата управления 748D/740D для 1 мотора 230В |
| 4 | 760025 | 1 | Конденсатор пусковой 12,5 мкФ, 450 В для серии 741 |
| 5 | 729014 | 1 | 740/741 Рукоятка разблокировки с замком для приводов 740, 741, С850 серий |
| 6 | 63000508 | 1 | 741 Корпус с втулкой |
| 7 | 727723 | 1 | 740/741 Кожух декоративный для приводов 740, 741 серий |
| 8 | 727724 | 1 | 740-741 Заглушка декоративная боковая для приводов 740, 741 серий |
| 11 | 704400 | 2 | 740/741 Блокировочное кольцо (половина) |
| 12 | 63003159 | 1 | 741 Двигатель |
| 16 | 7061115 | 1 | Шплинт 8X45 RIC.UNI EN22338 |
| 17 | 719130 | 1 | Шестерня Z16 |
| 18 | 63000511 | 1 | 740/741 Защитный кожух шестерни |
| 21 | 63001035 | 1 | 740/741 Магниты с кронштейнами крепления к зубчатой рейке для приводов 740, 741, 720, 721 серий |
| 22 | 63001025 | 1 | Сенсор магнитных концевых выключателей 740/741 |
| 23 | 63001015 | 1 | Выключатели концевые магнитные в комплекте с сенсором для приводов 740, 741 серий |
| 24 | 7131005 | 1 | Ключ разблокировки MOD. 3889.0913 |
| 25 | 63000509 | 1 | 740/741 Вал в сборе |
Сравнение модельного ряда FAAC:
![]() | ![]() | ![]() | ![]() |
|
| Модель: | FAAC 741 Е | FAAC 844 ER | FAAC 746 ER | FAAC C721 |
| Потребляемое напряжение: | ~230 В | ~230 В | ~230 В | ~230 В |
| Мощность: | 500 Вт | 650 Вт | 300 Вт | 290 Вт |
| Потребляемый ток: | 2,2 A | 3,5 A | 1,5 A | 12A |
| Скорость движения ворот: | 12 м/мин | 9,5 м/мин(Z16) - 12 м/мин(Z20) | 12 м/мин (Z16) - 9,6 м/мин(Z20) | 18 м/мин |
Купить FAAC 741 KIT + Пульты RC (комплект) (741_kit_RC_1) в интернет-магазине СЕК-ГРУПП в Москве: Черницынский проезд, д.3, стр.1 (метро Щелковская). Доставка по России.
1 шт.
1 шт.
2 шт.
1 шт.

Напряжение электропитания
Потребляемая мощность
Потребляемый ток
Тяговое и толкающее усилие
Скорость вращения двигателя
Температура срабатывания термозащиты двигателя
Передаточное отношение
Макс. масса створки
Скорость движения ворот
Диапазон рабочих температур
Класс защиты
1 шт.
1 шт.
2 шт.
1 шт.
До ТК (СДЭК, ПЭК, Деловые Линии) - 0 Р
Остальные транспортные компании - 1000 Р
Заказы от 60 000 Р (по ценам сайта) - 0 Р
В пределах МКАД заказы стоимость > 5 000 руб. и < 2 кг - 750 руб., > 2 кг составляет 1000 руб.
Негабарит МКАД - 1300 Р (более 5 метров - 2000 Р)
За МКАД - 1000 Р + 90Р/км
Негабарит за МКАД - 1300Р + 110Р/км (более 5 метров - 2000 Р + 110Р/км)
г. Москва, Черницынский пр-д, д. 3 стр. 1. метро Щелковская
г. Уфа, ул. Трамвайная, д. 2 оф. 1-02
Мы правильно определили ваш город?
Оплата осуществляется путем банковского перевода денежных средств с расчетного счета покупателя на наш расчетный счет.
Счет выставляется по запросу в печатном или электронном виде. Счет действителен в течении 3-х банковских дней за исключением оборудования производства компании PERCo.
Оплата наличными производится в офисах компании при получении товара со склада по адресам:
- г. Москва, Черницынский проезд, д.3, стр.3
- г. Уфа, Трамвайная улица, д.2, офис 1-02
Стоимость заказа передаётся водителю компании при получении товара.













